
Regulador LM2596
LM2596
Texas Instruments · Serie LM259x
Galería
Productos relacionados
Ver todosDescripción
Guía Técnica LM2596: Regulador Buck de 3A con Topología Simple Switcher
El LM2596 no es solo un regulador; es una declaración de intenciones de finales de los 90 que se niega a morir. Estamos ante un convertidor DC-DC step-down (buck) no síncrono que integra el transistor de potencia en el silicio, diseñado para quienes valoran la simplicidad sobre la eficiencia extrema de los convertidores modernos de 1 MHz. Su frecuencia de conmutación fija de 150 kHz permite el uso de componentes de filtrado más pequeños que los reguladores de baja frecuencia, aunque hoy en día parezca una cifra conservadora frente a las nuevas opciones de BySMax.
⚠️ Límites de Supervivencia Ignorar estos valores es firmar la sentencia de muerte de tu PCB:
Voltaje de entrada máximo (): 45 V (Absoluto) / 40 V (Operativo). Voltaje en el pin ON/OFF: 25 V. Límite de corriente (pico): 6.9 A (Típico a , pero no te confíes). Temperatura de unión máxima (): 150 °C.
Pinout y Referencia Física
Disponible en encapsulados TO-220 (para quienes aún creen en los disipadores masivos) y TO-263 (para soldadura de superficie con buen plano de cobre).
| No. | Pin | I/O | Descripción Técnica |
|---|---|---|---|
| 1 | I | Entrada de suministro. Requiere bypass de baja ESR obligatorio. | |
| 2 | Output | O | Nodo de conmutación interno. Ciclo de trabajo . |
| 3 | Ground | - | Tierra del circuito. |
| 4 | Feedback | I | Entrada de lazo de control. Sensado de tensión de salida. |
| 5 | ON/OFF | I | Lógica de apagado. < 1.3 V enciende; > 1.3 V apaga (80 µA standby). |
Especificaciones de Laboratorio
| Parámetro | Rango Típico | Unidad | Notas |
|---|---|---|---|
| Frecuencia de Oscilación | 150 (±15%) | kHz | Fija internamente. |
| Voltaje de Referencia () | 1.23 (±2%) | V | Para la versión ajustable. |
| Eficiencia (5V Out) | 80 | % | Con e . |
| Corriente de Standby | 80 | µA | Típico cuando el pin 5 está en alto. |
Ingeniería Aplicada
1. Configuración de Voltaje Fijo y Filtrado de Salida
[INSERTAR IMAGEN: Figure 9-10. Fixed Output Voltage Version] Este es el diseño estándar. La "catástrofe" que evita el condensador de entrada () de 680 µF es el colapso de la tensión de entrada debido a los transitorios de corriente. Si el ESR del condensador de salida () es demasiado bajo (como en ciertos cerámicos), el lazo de realimentación se vuelve inestable y el regulador oscilará como si no hubiera un mañana.
2. Arranque Retardado (Soft-start Primitivo)

El LM2596 no tiene un pin de soft-start dedicado. Este circuito utiliza la constante de tiempo en el pin ON/OFF para evitar que el regulador intente entregar toda la corriente de golpe mientras la fuente de entrada aún se está estabilizando. Útil para fuentes de alimentación "débiles" que se protegen ante picos de corriente de arranque.
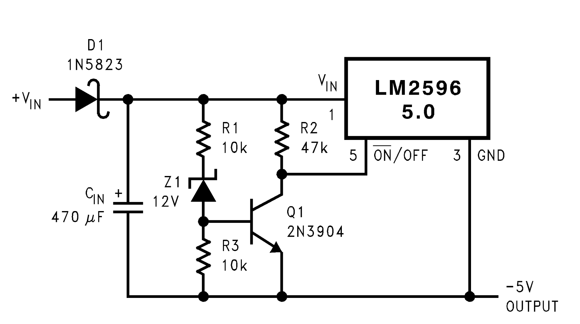
3. Regulador Inversor con Bloqueo por Subtensión

Esta es una joya de la ingeniería aplicada. Al "flotar" el pin de tierra del IC a la salida negativa, el regulador ve la suma de . El circuito con y añade histéresis: el sistema no arranca hasta que alcanza un nivel seguro, evitando que el regulador se quede en un estado de conducción lineal ineficiente o conmutación errática en el arranque.
4. Filtrado de Rizado Post-Regulación

Incluso con 150 kHz, el rizado puede ser inaceptable para etapas analógicas sensibles. El uso de un filtro LC externo ( µH) fuera del lazo de realimentación puede reducir el rizado de salida a menos de 10 mV sin comprometer la estabilidad del sistema.
Criterio de Selección BySMax
El LM2596 sigue en nuestro inventario porque es un "tanque". Aunque existen opciones más eficientes y compactas (como el LMR51430), el LM2596 perdona errores de layout que destruirían a componentes más modernos y su facilidad de implementación con solo cuatro componentes externos lo hace imbatible para prototipado rápido de grado industrial.



